Punch & Die
Punch & Die ใช้กับเครื่องอัดไฮดรอลิค หรือ เครื่องตัดเหล็กเอนกประสงค์ไฮดรอลิค สำหรับเจาะรูเหล็กที่มีความหนาตั้งแต่ 3 ถึง 25 มม. ขึ้นอยู่กับกำลังของเครื่อง การใช้วิธีเจาะรูเหล็กแบบนี้จะช่วยลดเวลาการทำงานได้มากกว่าการเจาะด้วยสว่านไฟฟ้า ส่วนใหญ่จะใช้กับอุตสาหกรรมการผลิตโครงเหล็กขนาดใหญ่ เช่น การสร้างโครงสร้างอาคารขนาดใหญ่ เป็นต้น ทางบริษัทฯ เราได้ทำการผลิต Punch & Die ด้วยเหล็กคุณภาพสูงจากต่างประเทศ ผ่านการแปรรูปด้วยเครื่องจักรที่มีความเที่ยงตรงสูง และทำการอบชุบด้วยเตาอบทีทันสมัย ให้ได้ชิ้นงานที่มีความแข็งเหนียวเป็นพิเศษ สามารถใช้งานได้ยาวนานเทียบเท่ากับของต่างประเทศ แต่ราคาประหยัดกว่า Punch & Die ที่เราผลิตมีหลายขนาดและหลายรุ่น ทั้งขนาดเป็น "มม." และ "นิ้ว" และ สำหรับเจาะรู "กลม" และ "วงรี" ( Slot ) ท่านสามารถเปรียบเทียบขนาดจากรุ่นที่อยู่ด้านล่างนี้ว่าสามารถใช้กับเครื่องของท่านได้หรือไม่ ทางเราสามารถปรับขนาดให้สามารถใช้กับเครื่องของท่านได้กรุณาติดต่อกับทางบริษัทฯ
1. Punch & Die Model A Punch Model No. A22 คือ Punch สำหรับใช้เจาะรูเหล็กขนาดเส้นผ่าศูนย์กลาง 22 มม. Die Model No. A2215 คือ Die ที่ใช้คู่กับ Punch A22 สำหรับใช้เจาะรูเหล็กขนาดเส้นผ่าศูนย์กลาง 22 มม. กับเหล็กที่มีความหนา 15 มม.
2. Punch & Die Model C Punch Model No. C24 คือ Punch สำหรับใช้เจาะรูเหล็กขนาดเส้นผ่าศูนย์กลาง 24 มม. Die Model No. C2415 คือ Die ที่ใช้คู่กับ Punch C24 สำหรับใช้เจาะรูเหล็กขนาดเส้นผ่าศูนย์กลาง 24 มม. กับเหล็กที่มีความหนา 15 มม.
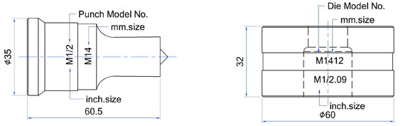
3. Punch & Die Model M Punch Model No. M14 คือ Punch สำหรับใช้เจาะรูเหล็กขนาดเส้นผ่าศูนย์กลาง 14 มม. Die Model No. M1412 คือ Die ที่ใช้คู่กับ Punch M14 สำหรับใช้เจาะรูเหล็กขนาดเส้นผ่าศูนย์กลาง 14 มม. กับเหล็กที่มีความหนา 12 มม.
4. Punch & Die Model N Punch Model No. N14 คือ Punch สำหรับใช้เจาะรูเหล็กขนาดเส้นผ่าศูนย์กลาง 14 มม. Die Model No. N1412 คือ Die ที่ใช้คู่กับ Punch N14 สำหรับใช้เจาะรูเหล็กขนาดเส้นผ่าศูนย์กลาง 14 มม. กับเหล็กที่มีความหนา 12 มม.
หมายเหตุ : ขนาดของ Die สามารถปรับให้ใช้กับความหนาของเหล็กที่ใกล้เคียงได้หลายขนาดไม่จำเป็นต้องใช้ขนาดเดียวก็ได้แต่อาจทำให้อายุการใช้งานสั้นลง กรุณาแจ้งช่วงขนาดความหนาของเหล็กที่ต้องใช้งานก่อนการผลิต |
|



